海灣GST-LD-IE8301 型輸入/輸出模塊接線安裝技術
特點
海灣GST-LD-IE8301輸入/輸出模塊,是一款功能強大、應用廣泛的編碼工業模塊。模塊可以通過 設置不同的工作模式,實現下列功能:啟動消防聯動設備,如排煙閥、送風閥、防火閥等,同時接 收設備的動作回答信號。模塊不能用于氣體滅火設備的控制。 模塊符合 GB 16806-2006 中的相關規定。本模塊主要具有以下特點:
(1) 抗電磁干擾能力卓越。
(2) 可直接控制交流 220V 供電設備。
(3) 輸入輸出端均有檢線功能。
(4) 工作模式可通過電子編碼器設置,以實現不同的功能。
(5) 地址碼為電子編碼,可由電子編碼器設置,也可由控制器更改,工程調試靈活簡便。
主要技術指標
(1) 工作電壓:總線電壓:24V 允許范圍:16V~28V 電源電壓:DC24V 允許范圍:DC20V~DC28V
(2) 工作電流:總線電流≤0.6mA 電源監視電流≤15mA
(3) 輸出 繼電器輸出:一組常開/常閉觸點,容量為 AC220V/5A 或 DC30V/5A DC24V 輸出:最大輸出電流為 1A
(4) 指示燈 輸入指示燈:紅色,正常監視狀態閃亮,有輸入信號時點亮; 輸出指示燈:紅色,啟動輸出時點亮,其它狀態熄滅。
(5) 工作模式:共有多種工作模式,可通過設置不同的參數來選擇工作模式
(6) 使用環境:溫度:-40℃~+70℃ 相對濕度≤95%,不結露 可室外使用
(7) 外殼防護等級:IP67
(8) 外形尺寸:195mm×275mm×86mm
結構特征、安裝與布線
模塊的外形尺寸及結構如圖 2-1 所示。

模塊具有兩種安裝方式:一種是利用底殼背面兩個 M5 孔安裝到行架上,安裝孔距為 185mm(如 圖 2-2 左側圖所示);另一種是利用安裝板安裝,可以安裝到墻上或行架上,安裝孔距為 255mm(如 圖 2-2 右側圖所示)。安裝到墻上建議使用 2 個 M6 膨脹螺栓,安裝到行架上建議使用 2 個 M6 螺釘組合件。


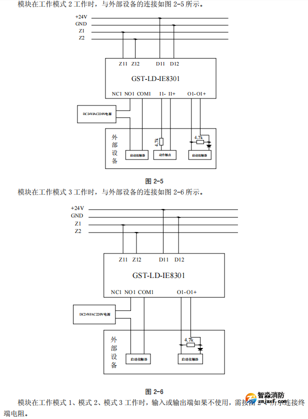
其中: Z11、Z12:接控制器總線,無極性;
Z21、Z22:用于 Z11、Z12 總線的分線;
D11、D12:接 DC24V 電源,無極性;
D21、D22:用于 D11、D12 電源的分線;
NC1、NO1、COM1:繼電器無源常閉常開輸出端子;
I1-、I1+:輸入端子;
O1-、O1+:DC24V 輸出端子,O1+為正,O1-為負。
布線要求:因防護要求建議使用外徑φ8~φ10 的電纜線。總線可以采用雙絞線,但要求用生料 帶將通過接頭部分的線纏繞至外徑φ8~φ10。DC24V電源線采用標稱截面積≥1.5mm2 的銅芯電纜線; 其它采用標稱截面積≥1.0mm2 的銅芯電纜線。不進線的電纜接頭應更換為備附的防水堵頭。
對于金屬軟管線纜,請根據電纜接頭的尺寸(如圖 2-1 所示)選擇合適的金屬軟管接頭配接。
布線應符合使用環境的要求,如耐熱、耐腐蝕、防火等。
模塊控制交流 220V 設備或者外接安全柵組成本安防爆系統時,外殼必須可靠接地。
應用方法
模塊在工作模式 1 工作時,與外部設備的連接如圖 2-4 所示。



海灣消防公司主營:海灣消防報警系統銷售,消防設備安裝,海灣氣體滅火、海灣電氣火災、消防水噴淋系統施工安裝,售后維修,海灣消防網站:http://m.jiangsaihua2008.cn/;海灣消防服務熱線:4006-598-119
本頁關鍵詞:海灣GST-LD-IE8301 型輸入/輸出模塊接線安裝技術
上一篇:《消防應急照明和疏散指示系統》GB17945-2024九大重點變化內容需注意什么 下一篇:海灣GST-LD-I8313 型隔離器接線安裝技術


蘇公網安備32058102002147號